消雪ノズル(散水ノズル) 露出ノズルタイプ
露出型散水ノズル
SP series
屋根・軒下散水のメリット
危険な屋根の雪おろしや除雪の軽減は元より、夏場の屋根冷却や打ち水効果にも期待ができます。
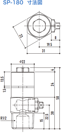
SP-180 BsBMメッキ仕上げ 用途:屋根・軒下・橋梁
屋根・軒下・橋梁散水用の調整機能付き露出ノズル。
片側180°方向に面散水し、調整機能付なので水量も調整が可能です。
上部キャップを外すとノズル内部清掃が可能です。
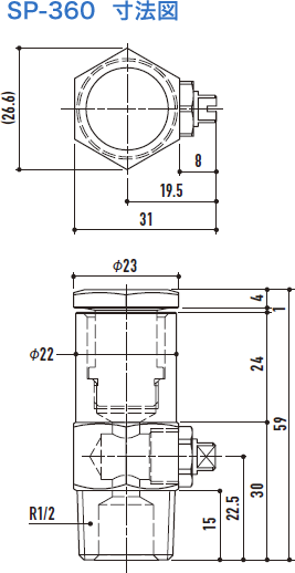
SP-360 BsBMメッキ仕上げ 用途:屋根
屋根散水用の調整機能付き露出ノズル。
全面360°方向に面散水し、調整機能付なので水量も調整が可能です。
上部キャップを外すとノズル内部清掃が可能です。
SP-T SUS303 用途:一般道(路肩)・橋梁
一般道の路肩や中央分離帯から散水するノズル。(調整機能付き)
縦施工タイプなので無駄にスペースを取りません。ナットを取り外すと内部清掃が可能です。
SP-Wワイド SUS303 用途:一般道(路肩)・橋梁
一般道の路肩や軒下から散水するノズル。(調整機能付き)
ノズル先端角度が任意に調整可能です。ナットを取り外すと内部清掃が可能です。
SP-1 SUS303 用途:一般道(路肩)・橋梁
一般道の路肩や軒下から散水するノズル。(調整機能付き)
ノズル先端角度が任意に調整可能です。ナットを取り外すと内部清掃が可能です。
SP-2 SUS303 用途:一般道(路肩)・橋梁
一般道や橋梁の路肩から散水するノズル。(調整機能付き)
散水仰角も任意に調整可能です。ナットを取り外すと内部清掃が可能です。








